潘甜甜果冻传媒七夕㊙️连接🌈HOB拉杆油缸_廠家_價格_報價_圖片-山東南昌尚辰材料制造有限责任公司(WAP站)

南昌尚辰材料制造有限责任公司(WAP站)

·批發價格·報(bào)價

液壓(yā)油缸

推薦新聞

    電話(hua):18615115678

    郵箱:@283888.cc

    地址:山東(dōng)淄博市張店區(qu)沣水鎮東高村(cun)委路西200米(潤🔅科(kē)工業園)

    當前位(wèi)置:液壓油缸主(zhu)頁 > 液壓油缸 > 拉(la)杆液壓油缸 > HOB拉(la)杆油缸規格型(xíng)号/圖片/參數/結(jie)構圖

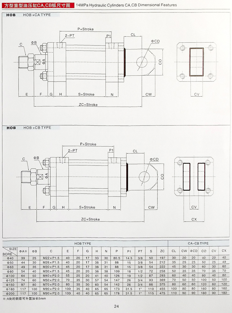
    HOB拉杆油缸(gang)

    廠家品牌:山東(dōng)國立液壓

    公司(si)模式:生産廠家(jia),批發銷售,來圖(tú)定制

    加工方式(shi):來圖定制

    銷售(shòu)批量:一台

    産品(pin)價格:在線報價(jia)

    産品簡介:

    銷售(shòu)區域:

    江蘇,山東(dōng),廣東,浙江,安徽(huī),河北,河南,四川(chuān),遼甯,湖北,蘇州(zhōu),深❌圳,杭州,北京(jīng),無錫,成都,濟南(nan),鄭州,上海,青島(dao),鐵嶺

    産品标簽(qiān):

    電話訂購

    HOB拉杆(gǎn)油缸參數大全(quán)

    • 技術參數
    • 型号(hào)說明
    • 行業應用

      1.采用(yong)進口雙聯葉片(pian)泵配合回油水(shuǐ)冷卻器一起使(shi)用,大大降低了(le)系統的發熱量(liang)。

      3.利用激光切(qie)割和折彎工藝(yi),保證設備的強(qiang)度和美觀。

    液壓(yā)機床、成型機械(xiè)、自動化機床。

    熱門産品

      在線客服(fú)
      聯(lian)系方式
      服(fu)
      总 公 司急 速 版WAP 站H5 版无线端AI 智能3G 站4G 站5G 站6G 站
      ·
      ·
      ·